热点关头词: 电动牙刷机电航模机电打印机机电电动窗帘机电智能门锁机电


额外电压:24V
步距角:1.8°
电感:2.5mH
坚持扭矩:140gf.cm
动弹惯量:2g.c㎡
您可以或许将产物须要供给给咱们市场发卖职员,咱们将为您遴选或设想最适合的组合计划。
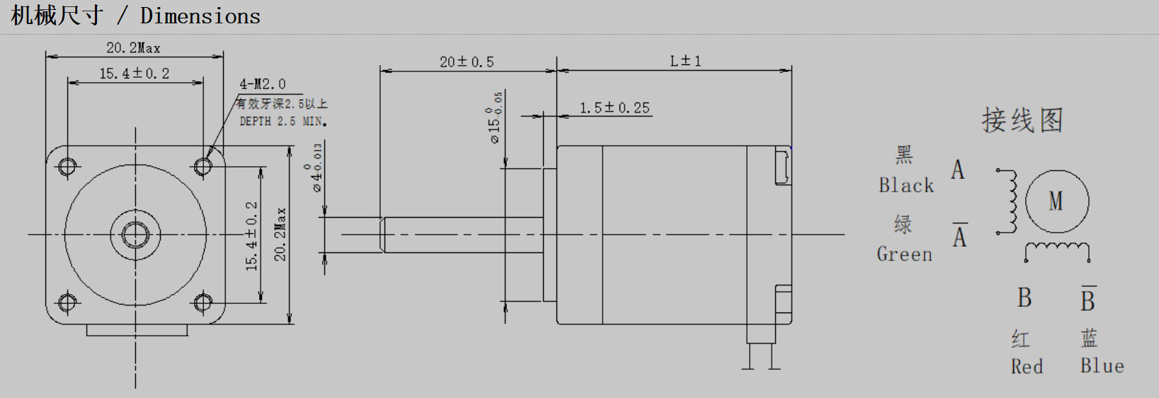
万至(zhi)达20系列(lie)1.8°两相两相杂质伺(si)服电(dian)机(ji)(ji)(ji)电(dian)气自动化是种间(jian)接地将电(dian)电(dian)脉(mai)冲流(liu)量(liang)转(zhuan)化为(wei)方向角(jiao)作(zuo)用(yong)(yong)的(de)(de)机(ji)(ji)(ji)设备加装(zhuang),转(zhuan)动速度的(de)(de)粗(cu)细依赖于(yu)于(yu)脉(mai)冲信号的(de)(de)数量(liang),它和各💦自配备的(de)(de)步(bu)进驱动器(qi)电(dian)机(ji)(ji)(ji)有限公司控(kong)制组装(zhuang)同(tong)样(yang)组成(cheng)了一大套有节制简练(lian)而又低费用(yong)(yong)的(de)(de)开环工(gong)作(zuo)标(biao)(biao)准。同(tong)样(yang)项目旋(xuan)转(zhuan)编码器(qi)及价值标(biao)(biao)准控(kong)制工(gong)作(zuo)标(biao)(biao)准👍借助,又可变成(cheng)低费用(yong)(yong)的(de)(de)步(bu)进驱动器(qi)电(dian)机(ji)(ji)(ji)步(bu)进驱动器(qi)工(gong)作(zuo)标(biao)(biao)准(前(qian)馈工(gong)作(zuo)标(biao)(biao)准)。