|| | 站点舆图
热点关头词: 电动牙刷机电航模机电打印机机电电动窗帘机电智能门锁机电
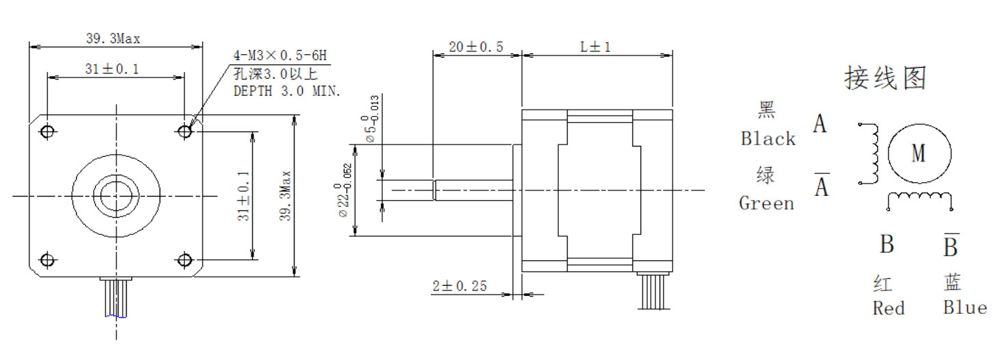
额外电压:24V 步距角:1.8° 电感:36mH 坚持扭矩:800gf.cm 动弹惯量:11g.c㎡
您可以或许将产物须要供给给咱们市场发卖职员,咱们将为您遴选或设想最适合的组合计划。
加速机电 空心杯机电 无刷机电 步进机电 有刷机电 伺服机电 光机电电 更多机电+