热点关头词: 电动牙刷机电航模机电打印机机电电动窗帘机电智能门锁机电


您可以或许将产物须要供给给咱们市场发卖职员,咱们将为您遴选或设想最适合的组合计划。
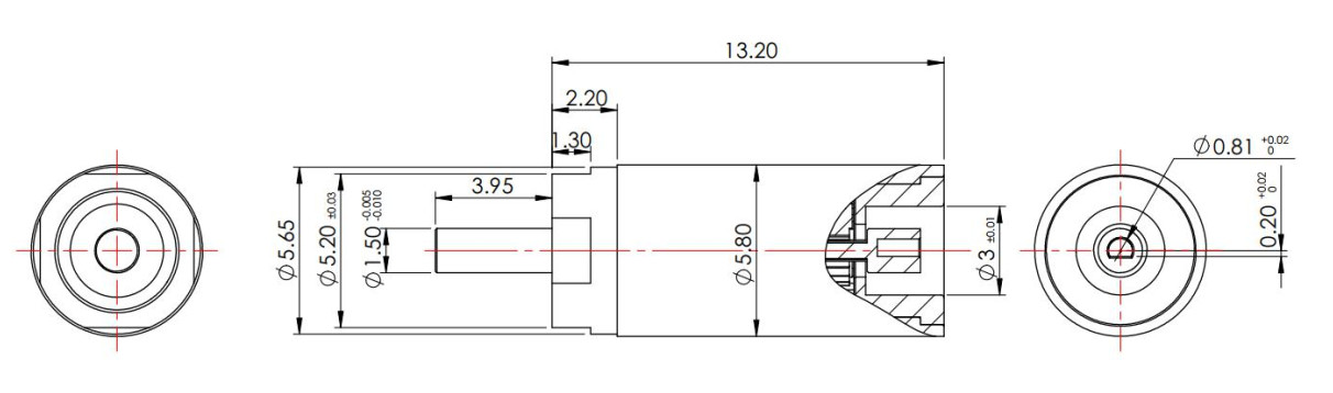
万至达OT- 06GPI太阳系行星齿轮传动箱优势形容: 1.与稀土永磁机械团体,市场机制高发动机功率、低速比显示作用。 2.共 6 种标准大行星蜗轮蜗杆箱,外径 4/4.4/5.0/5.8/6.0mm,同一个必须可确定企业客户标准私人订制。 3.可以知道足极速、低温环境、载重荷、封好等越来越性能的代谢物工作规划。 4.齿轴背隙小,通报会精度等级高。 5.乐音小,推测足低乐音目前。