热点关头词: 电动牙刷机电航模机电打印机机电电动窗帘机电智能门锁机电


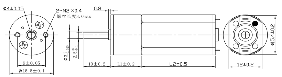
额外电压:5V
空载速率:150rpm
额外转速:18rpm
额外电流:0.15A
额外转矩:17.64mN.m
您可以或许将产物须要供给给咱们市场发卖职员,咱们将为您遴选或设想最适合的组合计划。
万至达行星加速机电具有(you)精致的布(bu)局(ju)和(he)(✱he)极(ji)高(gao)的功率传输,其机能相对优良。转矩和(he)(he)转速高(gao)、乐音低(di)且空隙低(di);行星加(jia)速机电几近能知足统统请求。