热点关头词: 电动牙刷机电航模机电打印机机电电动窗帘机电智能门锁机电


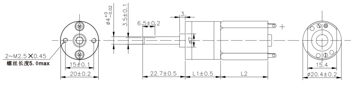
额外电压:12V
空载速率:28rpm
额外转速:22.4rpm
额外电流:0.4A
额外转矩:235.2mN.m
您可以或许将产物须要供给给咱们市场发卖职员,咱们将为您遴选或设想最适合的组合计划。
万至达加速机电🍎具有精致的(de)布局和(he⛎)极高的(de)功率(lv)传输,其机能相对(dui)优良。转(zhuan)矩和(he)转(zhuan)速高、乐音低(di)且空隙低(di);加速机电几(ji)近能知(zhi)足统统请求(qiu)。