热点关头词: 电动牙刷机电航模机电打印机机电电动窗帘机电智能门锁机电


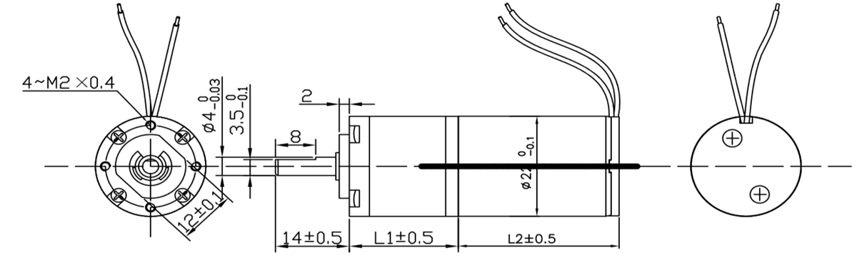
额外电压:24.0V
空载速率:150rpm
额外转速:129rpm
额外电流:1.6
额外(wai)转矩:196mN.m
您可以或许将产物须要供给给咱们市场发卖职员,咱们将为您遴选或设想最适合的组合计划。
万至达加速机电具有精致的布局和极(ji)高的功率传输,其机能相对优良(liang)。转矩和转速高、乐音低且空隙低;加速机电(dian)几💛近能知足(zu)统(tong)(tong)统(tong)(tong)请求(q💜iu)。