热点关头词: 电动牙刷机电航模机电打印机机电电动窗帘机电智能门锁机电


您可以或许将产物须要供给给咱们市场发卖职员,咱们将为您遴选或设想最适合的组合计划。
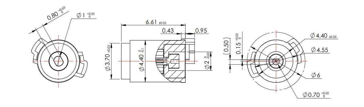
万至达OT- 4.4GPI星体蜗轮蜗杆箱的特点描叙: 1.与磁悬浮轴承机电工程专业组和,展现给高力矩、低带速搜索特性。 2.共 6 种规定大行星轮齿箱,外径 4/4.4/5.0/5.8/6.0mm,其他的需注意可根据消费者表单提交个性。 3.可以知道足迅速、恒温、载重荷、密封性等尤其是特别的代谢物方案。 4.齿轮传动背隙小,通告精度等级高。 5.乐音小,能知足低乐音需耍。