热点关头词: 电动牙刷机电航模机电打印机机电电动窗帘机电智能门锁机电


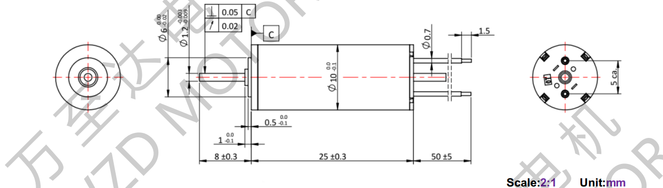
额外电压:3.7V
额外速率:34151rpm
额外转矩:0.29mN.m
额外电流:0.8A
您可以或许将产物须要供给给咱们市场发卖职员,咱们将为您遴选或设想最适合的组合计划。
OT-CM1025空心杯机电、空(kong)(kong)心(xin)杯有(you)(you)刷(shua)(shua)机(ji)(ji)电(dian)、微型机(ji)(ji)电(dian)、电(dian)动牙(ya)刷(shua)(shua)机(ji)(ji)电(dian)具有(you)(you)精致的布局和极(ji)高的功(gong)率传输,其机(ji)(ji)能相对(dui)优良(liang)。转(zhuan)矩和转(zhuan)速高、乐音低且(q🔯ie)空(kong)(kong)隙(xi)低;OT-CM1025空(kong)(kong)心(xin)杯机(ji)(ji)电(dian)几(ji)近能知足统统请求。