热点关头词: 电动牙刷机电航模机电打印机机电电动窗帘机电智能门锁机电


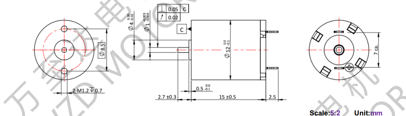
额外电压:3.0V
额外速率:18743rpm
额外转矩:0.49mN.m
额外电流:0.43A
您可以或许将产物须要供给给咱们市场发卖职员,咱们将为您遴选或设想最适合的组合计划。
OT-CM1215空心杯机电、微型机(ji)(ji)电(dian)、空(kong)心🧜杯(bei)机(ji)(ji)电(dian)参(can)数(shu)具有精致的(de)布局和(he)极(ji)高的(de)功率传输,其机(ji)(ji)能相对优良。转矩和(he)转速(su)高、乐音低(di)且空(kong)隙(xi)低(di);OT-CM1215空(kong)心杯(bei)机(ji)(ji)电(dian)几ꦕ近能知足(zu)统统请(qing)求。