热点关头词: 电动牙刷机电航模机电打印机机电电动窗帘机电智能门锁机电


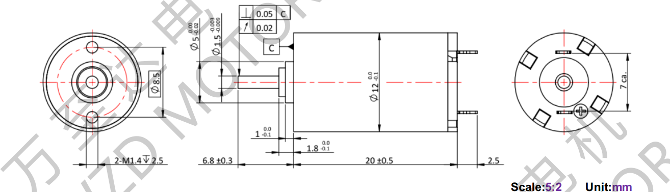
额外电压:3.0V
额外速率:8447rpm
额外转矩:0.33mN.m
额外电流:0.84A
您可以或许将产物须要供给给咱们市场发卖职员,咱们将为您遴选或设想最适合的组合计划。
OT-CM1220空心杯机电、空(kong)心(xin)杯机(ji)(ji)电参数、有刷直(zhi)流机(ji)(ji)电具有精致(zhi)的(de)布局和极高(gao)的(de)功(gong)率传输,其机(ji)(ji)能(neng)相对(dui)优良。转(zhuan)矩(ju)和转(z🎃huan)速高(gao)、乐音低且空(kong)隙(xi)低;OT-CM1220空(kong)心(xin)杯机(ji)(ji)电几近能(neng)知足(zu)统统请求。