热点关头词: 电动牙刷机电航模机电打印机机电电动窗帘机电智能门锁机电


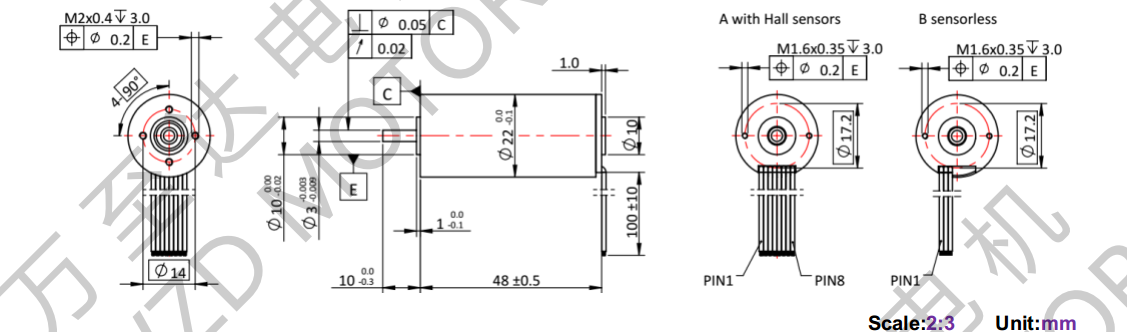
额外电压:12.0V
额外速率:11446 rpm
额外转矩:18mN.m
额外电流:2.25A
您可以或许将产物须要供给给咱们市场发卖职员,咱们将为您遴选或设想最适合的组合计划。
OT-ECS2248空心杯机电、微型(xing)机(ji)电(dian)具有精致的布局和(he)极高的功(gong)率传输,其机(ji)能相对优良。ꦡ转(zhuan)(zhuan)矩和(he)转(zhuan)(zhuan)速高、乐音(yin)低且空隙低;OT-ECS2248空心杯机(ji)电(dian)几(ji)近能知足统(tong)统(tong)请(qing)求。