热点关头词: 电动牙刷机电航模机电打印机机电电动窗帘机电智能门锁机电


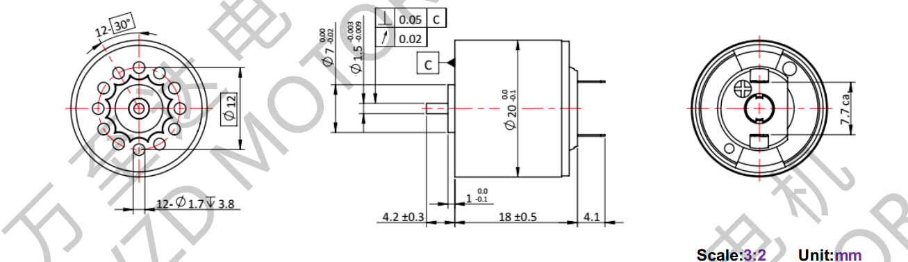
额外电压:9.0V
额外速率:12345 rpm
额外转矩:1.09mN.m
额外电流:0.173A
您可以或许将产物须要供给给咱们市场发卖职员,咱们将为您遴选或设想最适合的组合计划。
OT-CM2018空心杯机电、有(you)(you)刷机(ji)(ji)电、空心杯有(you)(you)刷机(ji)(ji)电具(ju)有(you)♋(you)精(jing)致的(de)布局和(he)极高(gao)的(de)功(gong)率传输,其机(ji)(ji)能相对优良。转矩(ju)和(he)转速高(gao)、乐音低且(qie)空隙(xi)低;OT-CM2018空心杯机(ji)(ji)电几近能知足统统请(qing)求。🦋