热点关头词: 电动牙刷机电航模机电打印机机电电动窗帘机电智能门锁机电


额外电压:6.5V
额外速率:6680 rpm
额外转矩:2.14mN.m
额外电流:0.267A
您可以或许将产物须要供给给咱们市场发卖职员,咱们将为您遴选或设想最适合的组合计划。
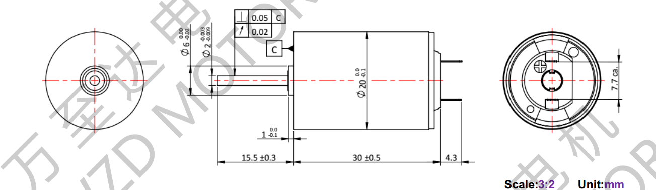
万至达OT-CM2030空心杯机电、空(kong)心有刷(sh🎐ua)机电(dian)、电(dian)动牙刷ꦛ(shua)机电(dian)具有精(jing)致的(de)布局(ju)和极高的(de)功率传输,其机能(neng)(neng)相对(dui)优良。转(zhuan)矩和转(zhuan)速高、乐音低(di)(di)且空(kong)隙低(di)(di);OT-CM2030 空(kong)心杯机电(dian)几近能(neng)(neng)知足统统请(qing)求。