热点关头词: 电动牙刷机电航模机电打印机机电电动窗帘机电智能门锁机电


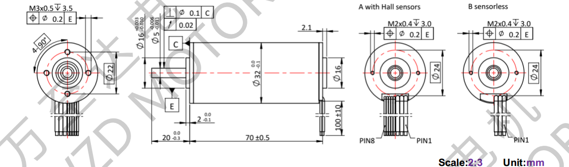
额外电压:12.0V
额外速率:5245rpm
额外转矩:40.41mN.m
额(e)外电(dian)流:2.263A
您可以或许将产物须要供给给咱们市场发卖职员,咱们将为您遴选或设想最适合的组合计划。
OT-ECS3270空心杯机电、无刷(shua)机电(dian)具有精(jing)致(zhi)的(de)布局和(he)(he)极高的(d💎e)功率传输(sﷺhu),其机能(neng)相对优良(liang)。转矩和(he)(he)转速高、乐(le)音低且空隙低;OT-ECS3270空心杯(bei)机电(dian)几近能(neng)知足(zu)统统请求。