热点关头词: 电动牙刷机电航模机电打印机机电电动窗帘机电智能门锁机电


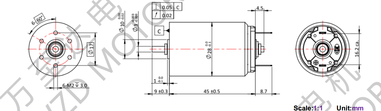
额外电压:12.0V
额外速率:5776rpm
额外转矩:19.76mN.m
额外(wai)电流:0.998A
您可以或许将产物须要供给给咱们市场发卖职员,咱们将为您遴选或设想最适合的组合计划。
OT-CM2845空心杯机电、咖啡机(ji)机(ji)电(dian)、吹风机(ji)机(ji)电(dian)、微(wei)型机(ji)电(dian)具有精致的布(bu)局和(he)极(ji)高的功率传输(shu),其机🌠(ji)能相对(dui)🧸优良(liang)。转矩(ju)和(he)转速高、乐音低且空隙低;OT-CM2845 空心杯(bei)机(ji)电(dian)几近能知足统(tong)统(tong)请(qing)求。