热点关头词: 电动牙刷机电航模机电打印机机电电动窗帘机电智能门锁机电


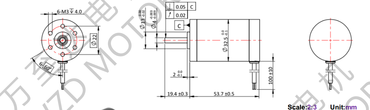
额外电压:12.0V
额外速率:6811rpm
额外转矩:28.22mN.m
额(e)外电流:1.92A
您可以或许将产物须要供给给咱们市场发卖职员,咱们将为您遴选或设想最适合的组合计划。
OT-CM3254空心杯机电、吸尘器机(ji)电(dian)(dian)、吹风机(ji)机(ji)电(dian)(dian)、电(dian)(dian)动牙刷(shua)机(ji)电(dian)(dian)具(ju)有精(jing)致的布局和极高(gao)的功率传输,其机(ji)能(neng)相对优良。转(zhuan)矩和转(zhuan)速高(gao)、乐音(yin)低且空(kong)(kong)隙低;OT-CM3254空(kong)(kong)心(xin)杯机(ji)电(dian)(dian)几近能♒(neng)知足统统请(qing)求(qiu)。