|| | 站点舆图
热点关头词: 电动牙刷机电航模机电打印机机电电动窗帘机电智能门锁机电
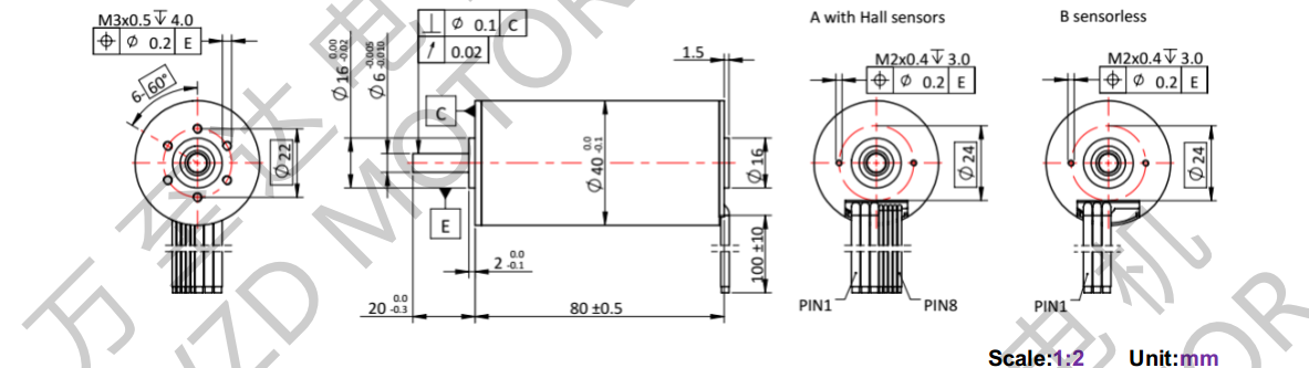
额外电压:24V 额外速率:9355rpm 额外转矩:145.55mN.m 额外电流(liu):6.697A
您可以或许将产物须要供给给咱们市场发卖职员,咱们将为您遴选或设想最适合的组合计划。
万至达空心杯机电和筋膜枪机电具有精致的布局和极高的功率传输,其机能相对优良。转矩和转速高、乐音低且空隙低;OT-ECS 4080无槽无刷直流机电几近能知足统(tong)统(tong)请求。
加速机电 空心杯机电 无刷机电 步进机电 有刷机电 伺服机电 光机电电 更多机电+