热点关头词: 电动牙刷机电航模机电打印机机电电动窗帘机电智能门锁机电


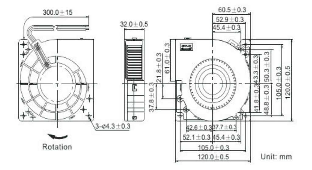
额度电压 (V):12.0
额外转速(r/min):2100
额外电流 (A):0.90
您可以或许将产物须要供给给咱们市场发卖职员,咱们将为您遴选或设想最适合的组合计划。
万至达OT-EF12032无刷机电、电扇机(ji)(ji)电、散热器机(ji)(ji)电具有(you)精致的布局和极高的功(gong)率传输,其༺机(ji)(ji)能相对(dui)优良(liang)。转矩(ju)和转速高、乐音(yin)低且空隙低;无刷机(ji)(ji)电几近能知足统统请求。