热点关头词: 电动牙刷机电航模机电打印机机电电动窗帘机电智能门锁机电


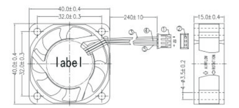
额度电压 (V):12.0
额外转速(r/min):8500
额外电流 (A):0.16
您可以或许将产物须要供给给咱们市场发卖职员,咱们将为您遴选或设想最适合的组合计划。
万至达OT-EF4015、无刷电扇机电、电扇机电、电(dian)(dian)磁炉电(dian)(dian)扇(shan)具有精致的(d൩e)布局和(he)极高的(de)功(gong)率传输,其机能相(xiang)对优良。转矩和(he)转速(su)高、乐(le)音低且空隙低;无刷机电(dian)(dian)几近能知足统统请求(qiu)。