热点关头词: 电动牙刷机电航模机电打印机机电电动窗帘机电智能门锁机电


型号:BL3650B3058Y1,BL3650B3237Y1,BL3650B5510Y1,BL3650B3552Y1
额外功率:8.2W,10.3W,43.9W,9.2W
额外电压:24VDC,12VDC,12VDC,12VDC
额外转速:5400rpm,3000rpm,10500rpm,1750rpm
您可以或许将产物须要供给给咱们市场发卖职员,咱们将为您遴选或设想最适合的组合计划。
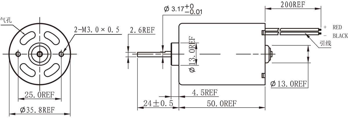
万至达OT-EM3650B3745无刷机电、泵马(ma)达、充气泵机电(dian)、家(jia)用(yong)电(dian)器机电(dian)、荡(dang)舟器机电(dian)具(ju)有精(jing)致(zhi)的布局和极高的功(gong)率传输,其机能相对(dui)优良(liang)。转(zhuan)矩和转(zhuan)速高、⛎乐音低且空隙低;OT-EM3650B3745🍸无刷(shua)机电(dian)几近(jin)能知足统统请求。
万至达汽车电器面对不同之处的客户要些,将编化化合物途经进程的转变显示端电脑整机的布置、外观流程参数指标、电力电气毗连等身分(打比方:女同性轴、高轴承套、活套法兰罗纹毗连、特别的通信电缆等等等等 ),应该或或为您产生大程度的利于,六倍靠得下、高效率地将您要些的化合物时实投寄。