|| | 站点舆图
热点关头词: 电动牙刷机电航模机电打印机机电电动窗帘机电智能门锁机电
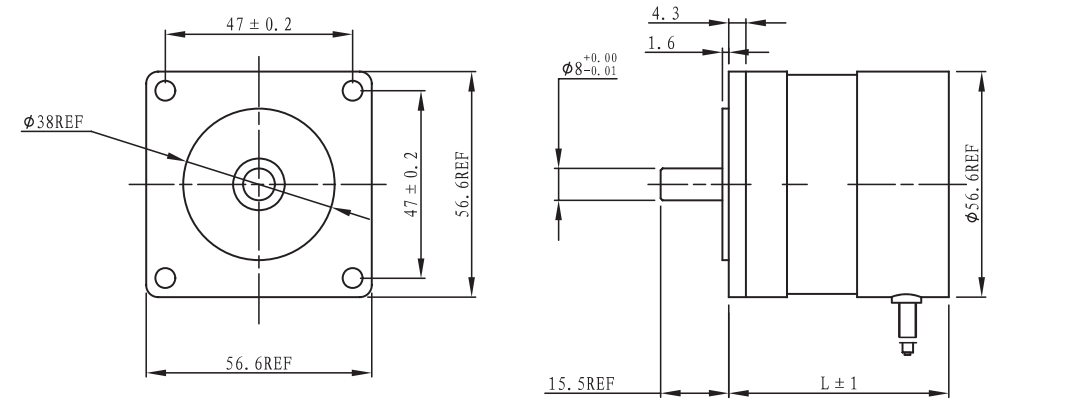
额度电压 (V):24.0 空载转速(r/min):5400 空载电流 (A):0.28
您可以或许将产物须要供给给咱们市场发卖职员,咱们将为您遴选或设想最适合的组合计划。
万至达OT-EM5755无刷机电、健身东西机电、医疗东西机电、家用电器机电、产业主动化机(ji)电(dian)(dian)具有精致的布局(ju)和极高的✱功率(lv)传输,其机(ji🤪)能(neng)相对优良。转矩和转速高、乐音(yin)低且空隙低;无(wu)刷机(ji)电(dian)(dian)几近能(neng)知(zhi)足统统请求。
加速机电 空心杯机电 无刷机电 步进机电 有刷机电 伺服机电 光机电电 更多机电+