热点关头词: 电动牙刷机电航模机电打印机机电电动窗帘机电智能门锁机电


额度电压 (V):48.0
空载转速(r/min):3800
空载(zai)电(dian)流 (mA):600
您可以或许将产物须要供给给咱们市场发卖职员,咱们将为您遴选或设想最适合的组合计划。
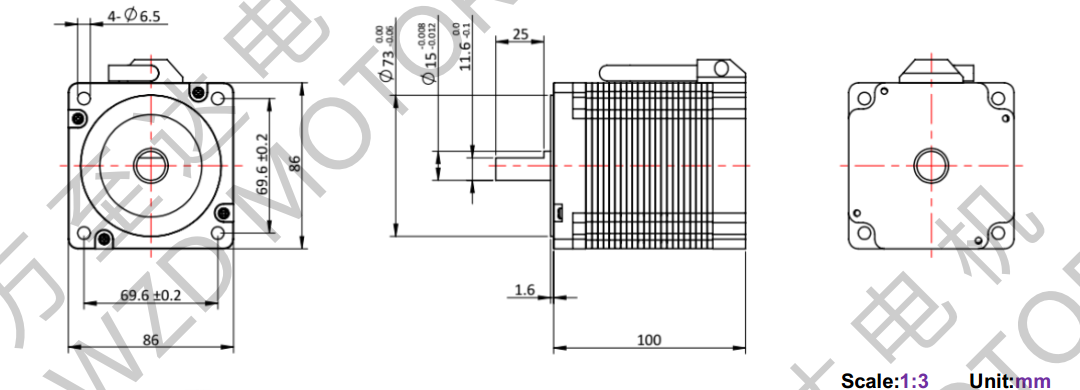
万至达OT-EM86100BLDC无刷机电、产业微(wei)型机(ji)电具有精致的布局和极高的功率(lv)传输,其机(ji)能(neng)相(xiang)对(dui)优良。转(zhuan)(zhuan)矩和转(zhuan)(zhuan)速高、乐音(yin)低且空隙(xi)低;OT-EM86100无刷机(ji)电几(ji)近能(n🎶eng)知足ဣ统统请求。