热点关头词: 电动牙刷机电航模机电打印机机电电动窗帘机电智能门锁机电


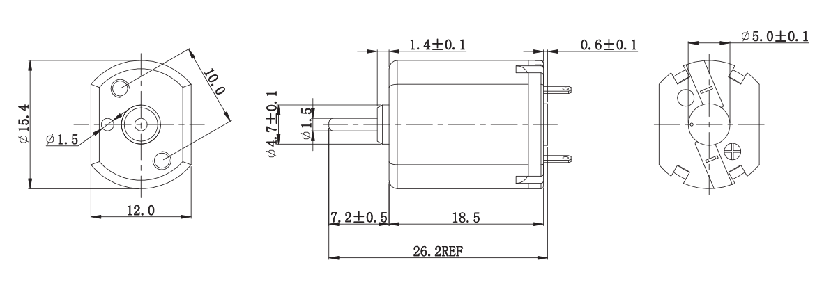
额度电压 (V):5.0
空载转速(r/min):12900
空(kong)载电流 (A):0.05
您可以或许将产物须要供给给咱们市场发卖职员,咱们将为您遴选或设想最适合的组合计划。
万至达有刷机电、有(you)刷(shua)玩具机(ji)(ji)电(dian)、航模马达具有(you)精致的布局和(he)(he)极(ji)高的功率传(chuan)输,其机(ji)(ji)能相对优良。转矩(ju)和(he)(he)转速高、乐音(yin)低且空(kong)隙低;有(you🅘)刷(shua)机(ji)(ji)电(dian)几近能知足统统请求。