热点关头词: 电动牙刷机电航模机电打印机机电电动窗帘机电智能门锁机电


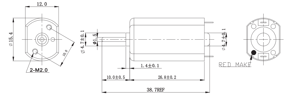
额度电压 (V):1.2
空载转速(r/min):9102
空载电(dian)流 (A):0.19
您可以或许将产物须要供给给咱们市场发卖职员,咱们将为您遴选或设想最适合的组合计划。
万至达有刷机电、♔玩具模子机(ji)电(dian)、电(dian)动(dong)牙刷机(ji)电(dian)具有精致的布局和极高的功率(lv)传输(shu),其机(ji)能(neng)相对优良。转矩和转速高、乐音低(di)且空(kong)隙(xi)低(di);有刷机(ji)电(dian)几近能(neng)知足统(tong)统(tong)请求。