热点关头词: 电动牙刷机电航模机电打印机机电电动窗帘机电智能门锁机电


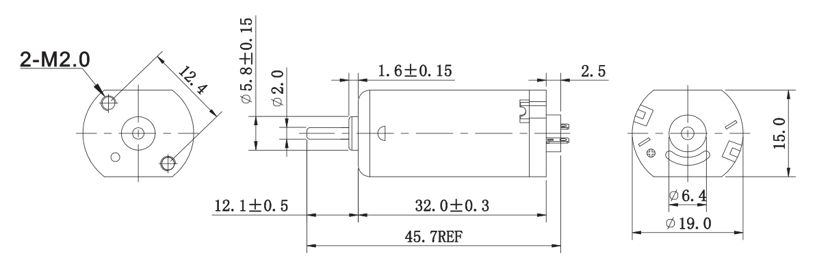
额度电压 (V):1.3
空载转速(r/min):9265
空载电流 (A):0.32
您可以或许将产物须要供给给咱们市场发卖职员,咱们将为您遴选或设想最适合的组合计划。
万至达有刷机电、剃(ti)须(xu)刀(dao)机(ji)电(dian)、剃(ti)头器机(ji)电(dian)、剃(ti)毛(mao)器马达具有精致的(de)布局和(he)极高(gao)的(de)功率(lv)传(chuan)输,其机(ji)能相对优良(liang)。转矩和(he)转速高(gao)、乐音低(di)且空隙♑低(di);有刷机(ji)电(dian)几(ji)近能知足统统请求(qiu)。