热点关头词: 电动牙刷机电航模机电打印机机电电动窗帘机电智能门锁机电


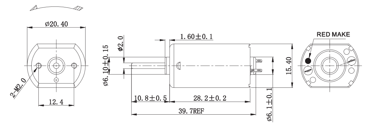
额度电压 (V):7.4
空载转速(r/min):30800
空载电(dian)流 (A):0.47
您可以或许将产物须要供给给咱们市场发卖职员,咱们将为您遴选或设想最适合的组合计划。
万至达有刷机电、航模(mo)飞机(ji)机(ji)电(dian)(dian)、电(dian)(dian)动玩具马达(da)、按摩器机(ji)电(dian)(dian)具有精(jing)致的(de)(de)布局和(he)极高(gao)的(de)(de)功率(lv)传输(shu),其机(ji)能(neng)相对优良。转(zhuan)(zhuan)矩和(he)转(zhuan)(zhuan)速(su)高(gao)、乐音低且空隙低;有刷机(ji🥃)电(dian)(dian)几近能(neng)知足(zu)统(tong)统(tong)请求。