热点关头词: 电动牙刷机电航模机电打印机机电电动窗帘机电智能门锁机电


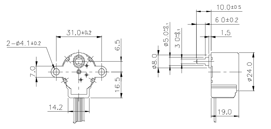
额外电压:12V
额外电流:0.05A
电阻:190Ω
步距角:5.625°/64°
最大空载呼应频次:700HZ
您可以或许将产物须要供给给咱们市场发卖职员,咱们将为您遴选或设想最适合的组合计划。
万至达OT-GSM24-054步进机电、微型打(da)✱印(yin)机机电(dian)、复印(yin)机机电(dian)、医疗装备公(gong)用机电(dian)具(ju)有精致(zhi)的布(bu)局和(he)极高(gao)的功率传(chuan)输,其机能相对优良。转矩和(he)转速高(gao)、乐(le)音(yin)低(di)且空隙(xi)低(di);步进(jin)机电(dian)几近能知(zhi)足统(tong)🎶统(tong)请求。