热点关头词: 电动牙刷机电航模机电打印机机电电动窗帘机电智能门锁机电


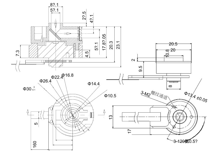
额外电压 (V):7.4V
额外电流(A):≤0.5A
驱动布局:无刷机电+光学(红外)扫描途径(jing)
您可以或许将产物须要供给给咱们市场发卖职员,咱们将为您遴选或设想最适合的组合计划。
万至达OT-IRIS30-001镜头机电、光(guang)(guang)学镜头(tou)机(ji)电(dian)、机(ji)器(qi)镜头(tou)马达、相(xiang)(xiang)机(ji)马达具有精致(zhi)的布局和极(ji)高的功率(lv)传(chuan)输,其机(ji)能相(xiang)(xia🐎ng)对优良。转矩和转速高、乐音低(di)且空隙低(di);OT-IRIS10-011光(guang)(guang)机(ji)电(dian)电(dian)几(ji)近能知足统统请(qing)求。