热点关头词: 电动牙刷机电航模机电打印机机电电动窗帘机电智能门锁机电


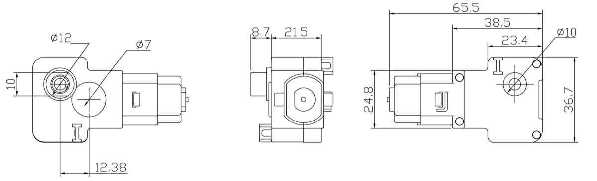
额外电压:9.0V
空载速率:92rpm
额外转速:70rpm
额外电流:0.23A
额外转矩:108mN.m
您可以或许将产物须要供给给咱们市场发卖职员,咱们将为您遴选或设想最适合的组合计划。
万至达机械人加速机电具有精致的布局和极(ji)高(gao)的功(gong)率传输,其机能(neng)(neng)相对优(you)良。转矩(ju)和转速高(gao)、乐音低(di)且空隙低(di);加速机电🍒(dian)几近能(neng)(neᩚᩚᩚᩚᩚᩚᩚᩚᩚ𒀱ᩚᩚᩚng)知足统(tong)统(tong)请求。