热点关头词: 电动牙刷机电航模机电打印机机电电动窗帘机电智能门锁机电


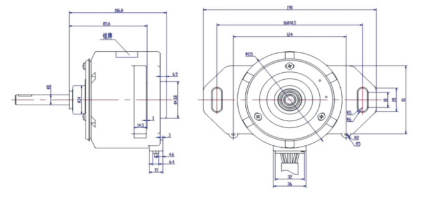
规范电压 (V):40-280
转速(r/min):1200
洗濯功(gong)率(lv)(W):150-500
您可以或许将产物须要供给给咱们市场发卖职员,咱们将为您遴选或设想最适合的组合计划。
万至达OT-PDW洗衣机机电、无刷机电、波轮洗(xi)衣(yi)机(ji)机(ji)电、滚筒洗(xi)衣(yi)机(ji)机(ji)电具有精(jing)致的布局和极高(gao)的功率(lv)传(chuan)输(shu),其机(ji)能(neng)相(xiang)对优良。转(zhuan)矩和转(zhuan)速高(gao)、乐(le)音(yin)低且空隙低;无刷机(ji)电几近能(neng)知足统(tong)统(🙈tong)请求。