|| | 站点舆图
热点关头词: 电动牙刷机电航模机电打印机机电电动窗帘机电智能门锁机电
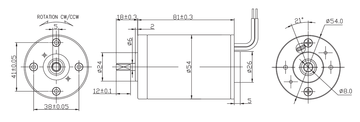
额度电压 (V):24 空载转速(r/min):3000 空载电流 (A):0.23
您可以或许将产物须要供给给咱们市场发卖职员,咱们将为您遴选或设想最适合的组合计划。
万至达OT-RK-3428PH-3442-104有刷机电、按摩器机电、水泵机电具有精(jing)致的布局和(hꦡe)(he)极高(gao)的功率传输,其机能(neng)相对(dui)优良。转(zhuan)矩和(he)(he)转(zhuan)速高(gao)、乐音低且空隙低;有刷(shua)机电几(ji)近能(neng)知(z🐻hi)足统(tong)(tong)统(tong)(tong)请(qing)求。
加速机电 空心杯机电 无刷机电 步进机电 有刷机电 伺服机电 光机电电 更多机电+