热点关头词: 电动牙刷机电航模机电打印机机电电动窗帘机电智能门锁机电


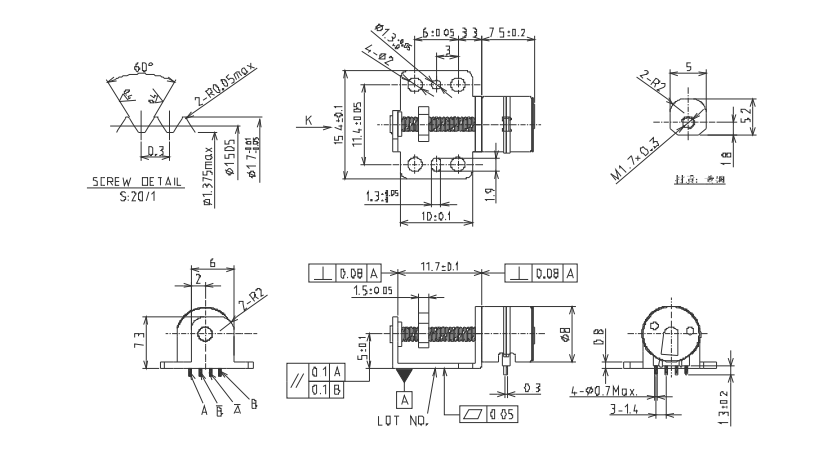
额外电压:5.0V
额外电流:0.36A
电阻:14Ω
步距角:18°
最大肇端频次:1000HZ
您可以或许将产物须要供给给咱们市场发卖职员,咱们将为您遴选或设想最适合的组合计划。
万至达OT-SM08L-099步进机电、摄(she)像机机电(dian)、监控(kong)摄(she)像头(tou)机电(dian)具有精致的布局(ju)和极高(gao)的功率传(chuan)输,其机能(neng)相对优良。转矩和转速高(gao)、乐(le)音低且空隙低;步进机电(dian)几近能(neng)知足统统ജ请求。