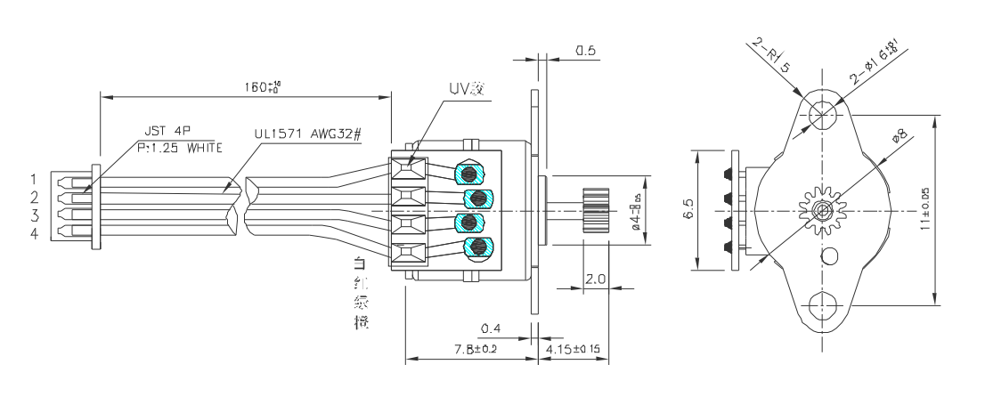
热点关头词: 电动牙刷机电航模机电打印机机电电动窗帘机电智能门锁机电


额外电压:3.0V
额外电流:0.14A
电阻:21Ω
步距角:18°
最大肇端频次:800HZ
您可以或许将产物须要供给给咱们市场发卖职员,咱们将为您遴选或设想最适合的组合计划。
万至达OT-SM08P-184A步进机电、数码(ma)摄(she)像机(ji)机(ji)电、监控装备机(ji)电、摄(she)像头机(ji)电具有精致的(de)布局和极(ji)高的(de)功率传输,其机(ji)能(neng)(ಌneng)相(xiang)对(dui)优良(liang)。转矩和转速高、乐(le)音(yin)低且空隙低;步进机(ji)电几近(jin)能(neng)(neng)知足(zu)统(tong)统(tong)请求(qiu)。