热点关头词: 电动牙刷机电航模机电打印机机电电动窗帘机电智能门锁机电


额外电压:24V
额外电流:0.65A
电阻:9.3Ω
步距角:7.5°
最大空载呼应频次:>900HZ
您可以或许将产物须要供给给咱们市场发卖职员,咱们将为您遴选或设想最适合的组合计划。
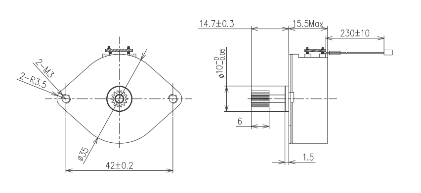
万至达OT-SM35P-008步进机电、微型打(da)印机机电、照片(pian)打(da)印机马达、微型机电具(ju)有精致的(de❀)布(bu)局和(he)极(ji)高的(de)功率传输(shu),🔜其机能(neng)相对优(you)良。转(zhuan)矩和(he)转(zhuan)速(su)高、乐(le)音低(di)且空隙低(di);步进(jin)机电几近能(neng)知足统统请求。