热点关头词: 电动牙刷机电航模机电打印机机电电动窗帘机电智能门锁机电


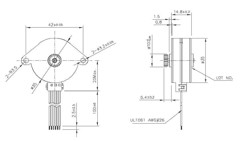
额外电压:24V
额外电流:0.2A
电阻:83Ω
步距角:7.5°
最大空载呼应频次:1100HZ
您可以或许将产物须要供给给咱们市场发卖职员,咱们将为您遴选或设想最适合的组合计划。
万至达OT-SM35P-363步进机电、微型打(da)印机(ji)机(ji)电(dian)、照片打(da)印机(ji)🦩机(ji)电(dian)、微型马(ma)达(da)具有精致的布局和极高的功ꦑ(gong)率传输(shu),其机(ji)能(neng)(neng)相对优良。转(zhuan)矩(ju)和转(zhuan)速高、乐音低且(qie)空隙低;步进机(ji)电(dian)几(ji)近能(neng)(neng)知足统统请求。