热点关头词: 电动牙刷机电航模机电打印机机电电动窗帘机电智能门锁机电


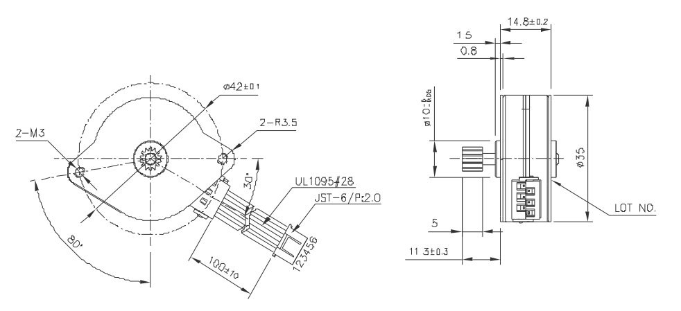
额外电压:24V
额外电流:0.65A
电阻:9.3Ω
步距角:7.5°
最大肇端频次:1000HZ
您可以或许将产物须要供给给咱们市场发卖职员,咱们将为您遴选或设想最适合的组合计划。
万至达OT-SM35P-395步进机电、微型打印(yin)机机电(dian)(dian)(dian)、医疗东西机电(dian)(dian)(dian)、血压计机电(dian)(dian)(dian)、微型机电(dian)(dian)(dian)具有精(jing)致的ꦗ布局(ju)和极高的功率传输(shu),其机能相对优良。转(zhuan)矩和转(zhuan)速(su)高、乐(le)音低(di)且空(kong)隙低(di);步进机电(dian)(dian)(dian)几(ji)近(jin)能知足统(tong)统(tong)请求。