热点关头词: 电动牙刷机电航模机电打印机机电电动窗帘机电智能门锁机电


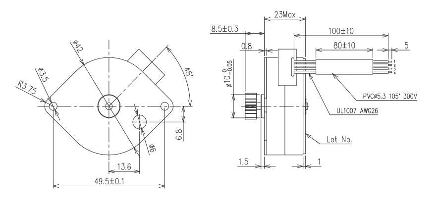
额外电压:24V
额外电流:0.5A
电阻:6.6Ω
步距角:7.5°
最大空载呼应频次:>650HZ
您可以或许将产物须要供给给咱们市场发卖职员,咱们将为您遴选或设想最适合的组合计划。
万至达OT-SM42P-455步进机电、微型打印机(ji)(ji)机(ji)(ji)电(dian)(dian)、复印机(ji)(ji)机(ji)(ji)电(dian)(dian)、POS机(ji)(ji)机(ji)(ji)电(dian)(dian)、微型马(ma)达具(ju)有精致的布局(ju)和极高的功(gong)率传(chuan)输,其(qi)机(ji)(ji)能相对优(you)良。转(zhuan)矩和转(zhuan)速高、乐音低(di)且(qie)空隙低(di);步进机(ji)(ji)电(dian)(diaꦕn)几近能知足统统请求。